| 构架材质: | 铝压铸 | |||||||||||||||||||
| 扇叶材质: | 工业塑胶或钢 | |||||||||||||||||||
| 轴承种类: | 钢珠轴承 | |||||||||||||||||||
| 马达种类: | 蔽极式马达或电容启动式马达 | |||||||||||||||||||
| 接线方式: | 出线式或端子式 | |||||||||||||||||||
| 保护方式: | 阻抗保护或温度保护或电子式保护 | |||||||||||||||||||
| 耐电压试验: | AC1500V (50/60Hz) one minute | |||||||||||||||||||
| 绝缘电阻: | Above 10MΩ, DC500V | |||||||||||||||||||
| 工作温度: | `-40℃~+60℃ | |||||||||||||||||||
| 存储温度: | `-40℃~+80℃ | |||||||||||||||||||
| 寿命: | 钢珠轴承:50,000小时以上(40°C以下) | |||||||||||||||||||
| 安规认证: | CUL, CE, TUV, either UL or ETL. | |||||||||||||||||||
| 型号介绍. | UF | 220 | A | P | A | 11 | H1 | C | 2 | A | ||||||||||
| 福佑品牌 | Blade Diameter风轮直径 | Sort Fan风扇类型 | Sort of Blade风轮类型 | Air Check空气流动方向 | Voltage工作电压 | Speed转速 | Sort Motor电机类型 | Poles of Motor电机极数 | Special Requirement特殊定制 | |||||||||||
| UF | FULLTECH | T | EC Motor | A | Centrifugal Fan | A | Aluminum | Centrifugal Fan | 11 | 115V | H1 | High | A | 3 Phases | 2 | 2P | Axial Fan | |||
| 133(72) | 133mm(72mm Thick) | B | Axial Fan | P | Plastic | A | Backward Curve, Single Air Intake | 23 | 230V | M1 | Medium | S | Shaded Pole | 4 | 4P | A | Standard with Frame | |||
| 133(91) | 133mm(91mm Thick) | D | Blower Fan | M | Welded Steel | B | Forward Cure, Single Air Intake | 38 | 380V | L1 | Low | C | Capacitor Run Motor | 6 | 6P | E | Without Frame | |||
| 175 | 175mm | N | Pressed Steel | C | Forward Cure, Dual Air Intake | 0A | 115-230V | D | Single Phase EC Motor | B | With Low Guard/No Frame | |||||||||
| 180 | 180mm | Axial Fan | C | With High Guard/No Frame | ||||||||||||||||
| 180(55) | 180mm(55mm Thick) | A | Air Discharge Out of Rotor Side | D | With Guard&Duct | |||||||||||||||
| 190 | 190mm | B | Air Discharge Opposite Rotor Side | Centrifugal Fan | ||||||||||||||||
| 220 | 220mm | Blower Fan | A | Standard | ||||||||||||||||
| 225(99) | 225mm(99mm Thick) | B | Forward Single Air Inlet | F | With Mounting Disk | |||||||||||||||
| 225(85) | 225mm(85mm Thick) | C | Forward Dual Air Inlet | |||||||||||||||||
| 225(69) | 225mm(69mm Thick) | |||||||||||||||||||
| 250 | 250mm | |||||||||||||||||||
| 318 | 318mm | |||||||||||||||||||
| 300 | 300mm | |||||||||||||||||||
| 360 | 360mm | |||||||||||||||||||
| 400 | 400mm | |||||||||||||||||||
| 60B | ø55×25mm | |||||||||||||||||||
| 12A | ø112×38mm | |||||||||||||||||||
| 15P | ø145×51mm | |||||||||||||||||||
| 25G | ø221×89mm | |||||||||||||||||||
| 200 | ø200mm | |||||||||||||||||||
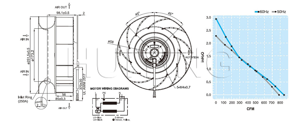
| Model | UF250APA11H1C2A | UF250APA23H1C2A |
| Rated Voltage | 115 V | 230 V |
| Frequency | 50/60 Hz | 50/60 Hz |
| Input Power | 170/240 W | 170/240 W |
| Rated Current | 1.5/2.1 A | 0.77/1 A |
| Locked Current | 3.1/3 A | 1.57/1.52 A |
| Speed | 2600/2700 RPM | 2600/2700 RPM |
| Maximum Air Flow | 22/24 m3/min. | 22/24 m3/min. |
| Maximum Air Flow | 770/850 CFM | 770/850 CFM |
| Maximum Pressure | 56/74 mmH2O | 56/74 mmH2O |
| Maximum Pressure | 2.2/2.9 InchH2O | 2.2/2.9 InchH2O |
| Noise | 75/76 dB | 75/76 dB |
| Weights | 3.1 kg | 3.1 kg |
|
|
||