轴流风机
态度决定成败

UF15KMR

产品简介:
产品详情:
构架材质: 铝合金
扇叶材质: 工业塑胶PBT PC 尼龙或金属材质
轴承种类: 钢珠轴承或含油轴承
马达种类: 蔽极式马达或电容启动式马达
接线方式: 出线式或端子式
保护方式: 阻抗保护或温度保护
绝缘电阻: 高于100MΩ,DC 500V.
绝缘耐压: AC 1500V / 1MIN.
工作温度: -40℃~+70℃
存储温度: -40℃~+80℃
寿命: 钢珠轴承:40,000小时以上(40°C以下) 
含油轴承:15,000小时以上(40°C以下)
安规认证: CUL, CE, TUV, either UL or ETL
型号介绍. UF 12 A (R) 11 B T H N
福佑品牌 Size尺寸 Thichness厚度 Special Design特殊设计 Voltage电压 Bearing轴承 Electrical Connection接电方式 Speed转速 Feature特殊功能
UF FULLTECH 12 120×120 A 38 C Capacitor Start-run 10 100V B Ball T Terminal Type H High N Motor Sealed
13 127×127 B 25 电容式 11 115V   滚珠   插片式   高速 电机密封
92 92×92 D 30 R Reverse Air 20 200V S Sleeve W Lead Wire M Medium D Stator Painted
80 80×80 G 89 反转 23 230V 含油 引线式   中速 定子烤漆
15 150×172 K 55 M Metal Impeller 38 380V L Low S Tachometer Sensor Fan
17 172×172 P 51 金属扇叶 低速 传感信号
25 254×254 F 62 CR Capacitor Induction Motor+Reverse Air F Class F
60 60×60 J 90 绝缘等级
16 160×160 H 107 电容式+反转
18 180×180 MR Metal Impeller+Reverse Air
20 205×205 金属扇叶+反转
22 ø223 E Without Frame
无框
A 3Phases  3相

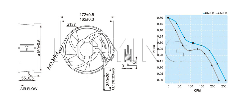
Model UF15KMR10-H UF15KMR11-H UF15KMR20-H UF15KMR23-H
Rated Voltage 110 V 115 V 200 V 230 V
Frequency 50/60 Hz 50/60 Hz 60 Hz 50/50/60 Hz
Input Power 43/43 W 45/45 W 43 W 43/45/45 W
Rated Current 0.6/0.57 A 0.54/0.51 A 0.28 A 0.3/0.27/0.25 A
Locked Current 1.03/0.86 A 0.9/0.8 A 0.43 A 0.5/0.44/0.38 A
Speed 2750/3150 RPM 2750/3150 RPM 3150 RPM 2750/2750/3150 RPM
Maximum Air Flow 6.4/7.2 m3/min. 6.4/7.2 m3/min. 7.2 m3/min. 6.4/6.4/7.2 m3/min.
Maximum Air Flow 225/255 CFM 225/255 CFM 255 CFM 225/225/255 CFM
Maximum Pressure 12.5/12.5 mmH2O 12.5/12.5 mmH2O 12.5 mmH2O 12.5/12.5/12.5 mmH2O
Maximum Pressure 0.5/0.5 InchH2O 0.5/0.5 InchH2O 0.5 InchH2O 0.5/0.5/0.5 InchH2O
Noise 58/61 dB 58/61 dB 61 dB 58/58/61 dB
Weights 1.1 kg 1.1 kg 1.1 kg 1.1 kg

 


上一个:UF15KMRE
下一个:UF15KME
相关产品
fBwgtW4EYEHq6Krz/5j7SkMDIcbgV37m7GXW1n5lrfuOToZ3Crqv/ueiO/4O/ca7a0uO88v4MbyXJLEffcv/kqcfyZbdZTSexi1ZhooeiPAp0SylJiz6PWNgmOy4x22lQOJwJug8mLJWtOLsIQGkDPXqOYoxhkhF